|
|
 |
Home > ÁÖ¿ä»ç¾÷ºÐ¾ß > ÅëÇչ輱 |
|
| ÅëÇչ輱 |
¿À´Ã³¯ »ç¹«È¯°æ°ú ÁÖ°Åȯ°æÀº Computer ¿Í High Tech. »ê¾÷ÀÇ ¹ß´Þ°ú ´õºÒ¾î ´Ù¾çÇÑ Á¤º¸±â±â ¹× Åë½Å±â±âÀÇ µµÀÔÀÌ ±ÞÁõÇϰí ÀÖÀ¸¸ç, °ÇÃ๰ÀÇ ÀÎÅÚ¸®ÀüƮȰ¡ ¹ß´Þ µÉ¼ö·Ï multi-Vendor / Multi-Media Ȱ¡ ÇÊ¿¬ÀûÀ̱⠶§¹®¿¡ ¹è¼±·®°ú Á¾·ù°¡ ¹æ´ëÇÏ°Ô ¿ä±¸µÇ°í, ¶ÇÇÑ ¼·Î °¢±â ´Ù¸¥ ±â±â¹è¼±ÀÇ °ü¸®°¡ °ï¶õÇÑ ½ÇÁ¤¿¡ À̸£°í ÀÖ½À´Ï´Ù. µû¶ó¼ Lay-Out º¯°æ°ú Á¤º¸Åë½Å ½Ã½ºÅÛÀÇ À̵¿ È®Àå¿¡ µû¸¥ Áߺ¹ ¹è¼±, Àç¹è¼±À¸·Î ÀÎÇÑ °æÁ¦Àû ¼Õ½Ç°ú Àη ³¶ºñ¸¦ ¾ß±â½Ã۰í ÀÖ½À´Ï´Ù.
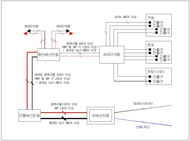
ÅëÇÕ ¹è¼± ½Ã½ºÅÛÀº °Ç¹° ³»ºÎ¿Í °Ç¹°°£¿¡¼ ¿ä±¸µÇ´Â °¢Á¾ Åë½Å¸ÁÀ» ÀÏ¿øÈ½ÃŲ °ÍÀ¸·Î À§¿¡¼ ¾ð±ÞµÈ ¹®Á¦µéÀ» ÇØ°áÇϰíÀÚ ¼³Ä¡ ¿î¿µÇÏ´Â ½Ã½ºÅÛÀÔ´Ï´Ù. À½¼º, µ¥ÀÌÅÍ, ºñµð¿À, Á¤º¸Ã³¸®, Åë½ÅÀåºñ. °Ç¹° °ü¸®¿¡ ÇÊ¿äÇÑ ´Ù¾çÇÑ Á¤º¸ °ü¸® ½Ã½ºÅÛ»Ó¸¸ ¾Æ´Ï¶ó ¿ÜºÎÀÇ Åë½Å ½Ã½ºÅÛÀ» ÅëÇÕÀûÀ¸·Î Áö¿øÇÔÀ¸·Î, ¾î¶°ÇÑ Á¤º¸ Åë½Å ±â±â¿¡µµ ÀÚÀ¯·Ó°Ô Á¢¼Ó µÉ¼ö ÀÖµµ·Ï ±¸¼ºµÈ °áÁ¦ÀûÀÎ ¹è¼±½Ã½ºÅÛ ÀÔ´Ï´Ù.
ÀÌ·¸µí È¿À²ÀûÀÌ°í ¾ÈÁ¤ÀûÀÎ ÅëÇչ輱 ¼Ö·ç¼ÇÀÇ ±¸ÃàÀÌ °Ç¹°ÀÇ °æÀï·ÂÀ» ³ôÀÌ´Â °¡Àå È®½ÇÇÑ ¹æ¹ýÀ̸ç, ÅëÇչ輱 ½Ã½ºÅÛÀº ÇöÀçÀÇ Åë½Åȯ°æÀº ¹°·Ð ¾ÕÀ¸·Î ´Ù°¡¿Ã Åë½Åȯ°æÀ» °í·ÁÇÏ¿© ¼³°è ½Ã°øµÇ¾î¾ß ÇÑ´Ù.
±â´É
VOICE, DATA¹è¼± PATCH±â´ÉÀ¸·Î ¹è¼±ÀÇ À¯¿¬¼º È®º¸
ISDN,ATM, GIGABIT THERNETµî ´Ù¾çÇÑ Åë½Å¼ºñ½º Áö¿ø ¸ÖƼ¹Ì´Ï¾î Åë½Å ȯ°æ Á¦°ø
¾÷¹«¿ë °Ç¹°·Î¼ Á¤º¸Åë½Å 2µî±Þ ¿¥ºí·³ ±âÁØ
ÀÏÁ¤ÇÑ PERFORMANCE À¯Áö·Î ½Å·Ú¼º Çâ»ó
ÁÖ¿äÀåºñ
| ¨ç 110 BLOCK |
 |
| ¨è PATCH PANEL |
 |
| ¨é UTP |
 |
| LAN(Local Area Network)ÀÇ °³¿ä |
LANÀº Local Area NetworkÀÇ ¾àÀÚ·Î ÈçÈ÷ ±Ù°Å¸® Åë½Å¸ÁÀ̶ó°í ºÒ¸°´Ù. ¿©·¯´ëÀÇ PC¿Í ÁÖº¯ÀåÄ¡°¡ Àü¿ëÀÇ Åë½Åȸ¼±À» ÅëÇÏ¿© ¿¬°áµÇ¾î ÀÖ´Â Åë½Å ³×Æ®¿öÅ©·Î¼ ±× ±Ô¸ð°¡ ÇÑ »ç¹«½Ç, ÇÑ °Ç¹°, ÇÑ Çб³ µî°ú °°ÀÌ ºñ±³Àû °¡±î¿î Áö¿ª¿¡ ÇÑÁ¤µÇ¾î Àִ°ÍÀ» ¸»ÇÑ´Ù. LANÀÇ »çÀüÀûÀÎ Àǹ̸¦ »ìÆìº¸¸é ¡®¹Ý°æ ¼ö Km À̳»¿¡¼ ¼öMbps¿¡¼ ¼ö ¹é Mbps±îÁö °í¼ÓÅë½ÅÀÌ °¡´ÉÇϸç, »çÀ¯±â°ü¿¡ ¼ÓÇÏ´Â Åë½Å ³×Æ®¿öÅ©¡¯¶ó°í Á¤ÀǵǾî ÀÖ´Ù.
Ư¡
¿¬°á¼º : ´Ù¾çÇÑ Åë½ÅÀåÄ¡¿ÍÀÇ ¿¬°á
³ôÀº ½Å·Úµµ
È®Àå¹× Àç¹èÄ¡ÀÇ ¿ëÀÌ
´Ù¾çÇÑ DATAó¸® : data, voice, video
´ÜÀÏ ±â°üÀÇ ¼ÒÀ¯
±¤´ë¿ª Àü¼Û ¸ÅüÀÇ »ç¿ëÀ¸·Î °í¼ÓÅë½Å
³×Æ®¿öÅ©³»ÀÇ ¾î¶² ±â±â°£¿¡µµ Àü¼ÛÀÌ °¡´É
¸Å¿ì ³·Àº ¿¡·¯À²
ÅëÇÕÀûÀÎ Á¤º¸Ã³¸® ´É·Â
FILE ¹× ÁÖº¯ÀåÄ¡ °øÀ¯±â´É
GIGABIT ETHERNET¹æ½Ä äÅÃÀ¸·Î ´Ù¾çÇÑ ¸ÖƼ¹Ìµð¾î ¼ºñ½º °¡´ÉÇÑ ´ë¿ªÆø È®º¸
±âÁ¸ ETHERNET(TCP/IP)ȯ°æÀÇ ´Ù¾çÇÑ APPLICATION Ȱ¿ë ¿ëÀÌ
¿ÜºÎ ÇØÅ· ¹æÁö¿ë ¹æÈº® ¼³Ä¡
ÁÖ¿äÀåºñ

|
| Ãʰí¼ÓÁ¤º¸Åë½Å |
Ãʰí¼ÓÁ¤º¸Åë½Å°Ç¹° À̶óÇÔÀº Ãʰí¼Ó Á¤º¸Åë½Å¼ºñ½º¸¦ Æí¸®ÇÏ°Ô ÀÌ¿ëÇÒ ¼ö ÀÖµµ·Ï ÀÏÁ¤±âÁØ ÀÌ»óÀÇ ±¸³»Á¤º¸Åë½Å ¼³ºñ¸¦ °®Ãá °ÇÃ๰À» ¸»ÇÑ´Ù.
- ´ë»ó°Ç¹°
ÁÖ°Å¿ë : °øµ¿ÁÖÅà Áß 20¼¼´ë ÀÌ»óÀÇ °ÇÃ๰
¾÷¹«¿ë : ¾÷¹«½Ã¼³ Áß ¿¬¸éÀû 3,300§³ ÀÌ»óÀÎ °ÇÃ๰
- ÀÎÁõµî±Þ ±¸ºÐ ¹× Ç¥½Ã
µî±Þ ±¸ºÐ : Ưµî±Þ, 1µî±Þ, 2µî±Þ, 3µî±Þ
µî±Þ Ç¥½Ã : ÇØ´çµî±ÞÀÇ ¿¥ºí·³(ÀÎÁõ¸¶Å©) ¹× ÀÎÁõ¸íÆÇ ºÎÂø.
- ÀÎÁõ½Åû
½ÅûÀÎ - °Ç¹°¼ÒÀ¯ÁÖ, ÇØ´ç °ÇÃà¾÷ÀÚ, °Ç¹°¼ÒÀ¯ÁַκÎÅÍ À§ÀÓ¹ÞÀº ±â°£Åë½Å»ç¾÷ÀÚ
- ½Åû½Ã±â
¨ç ¿¹ºñÀÎÁõÀº ¡¸°ÇÃà¹ý¡¹ Á¦8Á¶ÀÇ ±ÔÁ¤¿¡ ÀÇÇÑ °ÇÃàÇã°¡¸¦ ¹ÞÀº ÈÄ¿¡ ½ÅûÇÒ ¼ö ÀÖ´Ù.
¨è º»ÀÎÁõÀº ´ÙÀ½ °¢È£ÀÇ ±¸ºÐ¿¡ µû¶ó ½ÅûÇÒ ¼ö ÀÖ´Ù.
1. ¿¹ºñÀÎÁõÀ» ¹ÞÀº °æ¿ì¿¡´Â ¿¹ºñÀÎÁõ ½Åû¼ÀÇ °ÇÃ๰ Áذø¿¹Á¤ÀÏ À̳»
2. ¿¹ºñÀÎÁõÀ» ¹ÞÁö ¾Æ´ÏÇÑ °æ¿ì¿¡´Â ÇØ´ç ±¸³»Åë½Å¼³ºñ µî ÇØ´ç¼³ºñ ¼³Ä¡ ÀÌÈÄ
- ½ÅûÁ¢¼ö ¹× ½É»ç - Ãʰí¼ÓÁ¤º¸Åë½Å°Ç¹° ÀÎÁõ½É»ç¼¾ÅÍ
- ÀÎÁõ±â°ü - ÀüÆÄ°ü¸®¼Ò
- °ü¸®±â°ü - ¹æ¼ÛÅë½ÅÀ§¿øÈ¸
¡Ø Áö¿ª¼¾ÅÍ (¼¿ï, ºÎ»ê, ´ë±¸, ±¤ÁÖ, ´ëÀü)
- ÀÎÁõ½É»ç±âÁØ
|
| °³³ä ¹× ¿ë¾î¼³¸í |
¿ë¾î¼³¸í
- ¹è¼±Ã¼°è¶ó ÇÔÀº ¿øÈ°ÇÑ ±¸³»Åë½Å¼ºñ½º¸¦ À§ÇÏ¿© °ÇÃ๰¿¡ ¼³Ä¡µÇ´Â ÄÉÀÌºí ¹×
Á¢¼ÓÀÚÀç(¹è¼±¹Ý, ÆÐÄ¡ÆÐ³Î, ÀÎÃⱸ µî)¸¦ ºñ·ÔÇÏ¿© ¹è°ü½Ã¼³ ¹× ±¸³»Åë½Å½Ç µîÀÇ
¹èÄ¡ ¹× ±¸¼º¹æ½ÄÀ» ¸»ÇÑ´Ù.
- ±¸³»°£¼±°è¶ó ÇÔÀº ±¸³»¿¡ ¼³Ä¡µÇ´Â Áֹ輱¹Ý ¶Ç´Â ÁÖ´ÜÀÚÇÔ(ÀÌÇÏ 'Áֹ輱¹Ýµî¡¯À̶ó
ÇÔ)¿¡¼ °¢ °Ç¹°(¶Ç´Â µ¿)ÀÇ °Ç¹°¹è¼±¹Ý, µ¿¹è¼±¹Ý ¶Ç´Â µ¿´ÜÀÚÇÔ(ÀÌÇÏ '°Ç¹°¹è¼±¹Ýµî'
À̶ó ÇÔ)À» ¿¬°áÇÏ´Â ¹è¼±Ã¼°è¿Í °Ç¹°¹è¼±¹ÝµîÀ» »óÈ£ ¿¬°áÇÏ´Â ¹è¼±Ã¼°è¸¦ ¸»ÇÑ´Ù.
´Ù¸¸, ¹è¼±È¯°æ¿¡ µû¶ó µ¿ÀÏ °Ç¹°¿¡ µÎ°³ ÀÌ»óÀÇ °Ç¹°¹è¼±¹ÝµîÀÌ ¼³Ä¡µÉ °æ¿ì
°¢ °Ç¹°¹è¼±¹ÝµîÀº Áֹ輱¹Ýµî¿¡ ´ëÇÏ¿© µ¿µî Á¢¼ÓÁ¶°ÇÀ» À¯ÁöÇÏ¿©¾ß ÇÑ´Ù.
- °Ç¹°°£¼±°è¶ó ÇÔÀº µ¿ÀÏÇÑ °Ç¹°³»ÀÇ °Ç¹°¹è¼±¹Ýµî¿¡¼ Áß°£¹è¼±¹Ý, Áß°£´ÜÀÚÇÔ,
Ãþ¹è¼±¹Ý ¶Ç´Â Ãþ´ÜÀÚÇÔ(ÀÌÇÏ ¡®Áß°£¹è¼±¹Ýµî¡¯À̶ó ÇÔ)À» ¿¬°áÇÏ´Â ¹è¼±Ã¼°è¿Í °Ç¹°³»
Áß°£¹è¼±¹ÝµîÀ» »óÈ£ ¿¬°áÇÏ´Â ¹è¼±Ã¼°è¸¦ ¸»ÇÑ´Ù.
´Ù¸¸, ¹è¼±È¯°æ¿¡ µû¶ó µ¿ÀÏ °Ç¹°¿¡ µÎ°³ ÀÌ»óÀÇ Áß°£¹è¼±¹ÝµîÀÌ ¼³Ä¡µÉ °æ¿ì
°¢ Áß°£¹è¼±¹ÝµîÀº °Ç¹°¹è¼±¹Ýµî¿¡ ´ëÇÏ¿© µ¿µî Á¢¼ÓÁ¶°ÇÀ» À¯ÁöÇÏ¿©¾ß Çϸç, ÁýÁß
±¸³»Åë½Å½Ç¿¡¼ °Ç¹°³» Áß°£¹è¼±¹Ý±îÁö ±¤ÄÉÀ̺íÀ» ¹è¼±Çϰí, Áß°£¹è¼±¹Ý¿¡¼ ¼¼´ë
´ÜÀÚÇÔ±îÁö ±¤ÄÉÀÌºí ¶Ç´Â ÆòÇüÄÉÀ̺íÀ» ¼³Ä¡ÇÏ´Â °æ¿ì¿¡´Â ±¸³»°£¼±°è¿Í ¼öÆò¹è¼±°è
°¡ È®ÀåµÇ¾î °Ç¹°°£¼±°è°¡ Á¸ÀçÇÏÁö ¾Ê´Â °ÍÀ¸·Î °£ÁÖÇÒ ¼ö ÀÖ´Ù.
- ¼öÆò¹è¼±°è¶ó ÇÔÀº Áß°£¹è¼±¹ÝµîÀ¸·ÎºÎÅÍ °¢ ½ÇÀÇ ÀÎÃⱸ±îÁö ¿¬°áÇÏ´Â
¹è¼±Ã¼°è¸¦ ¸»ÇÑ´Ù. ´Ù¸¸, ¼¼´ë´ÜÀÚÇÔÀº Áß°£¹è¼±¹Ýµî(¶Ç´Â °Ç¹°¹è¼±¹Ýµî)¿¡
´ëÇÏ¿© µ¿µî Á¢¼ÓÁ¶°ÇÀ» À¯ÁöÇÏ¿©¾ß ÇÑ´Ù.
- Á¢¼ÓÀÚÀç¶ó ÇÔÀº ±¸³»°£¼±°è, °Ç¹°°£¼±°è ¹× ¼öÆò¹è¼±°è¸¦ ±¸¼ºÇÏ´Â ¹è¼±¹Ý,
Ä¿³ØÅÍ, Á¡ÆÛÄÚµå µîÀÇ Á¢¼Ó¼³ºñ¸¦ ¸»ÇÑ´Ù.
- ÀÎÃⱸ¶ó ÇÔÀº °¢ ½Çº°(°øµ¿ÁÖÅÃ) ¶Ç´Â ´ÜÀ§¸éÀû´ç(¾÷¹«½Ã¼³ ¶Ç´Â ¿ÀÇǽºÅÚ)
¼³Ä¡µÇ¾î ´Ü¸»Àåºñ¿ÍÀÇ ¿¬°á±â´ÉÀ» Á¦°øÇÏ´Â Á¢¼ÓÀåÄ¡·Î¼ 8ÇÉ ¸ðµâ·¯Àè(RJ45) ¶Ç´Â
±¤ÄÉÀ̺í¿ë Ä¿³ØÅ͸¦ ¸»ÇÑ´Ù. ´Ù¸¸, 'À½¼º±Þ ÀÎÃⱸ'¶ó ÇÔÀº °øµ¿ÁÖÅà ÀÔÁÖÀÚÀÇ ÆíÀǸ¦
À§ÇØ À½¼º Àü¿ë¼ºñ½º¿ëÀ¸·Î ¼³Ä¡µÇ´Â ÀÎÃⱸ·Î¼, ¼¼´ë´ÜÀÚÇÔÀ¸·ÎºÎÅÍ À½¼º±Þ
ÀÎÃⱸ±îÁö´Â Cat3 2Æä¾î ÀÌ»óÀÇ ÄÉÀÌºí ¹× À½¼º±Þ ¸ðµâ·¯ÀèÀÇ ¼³Ä¡¸¦ Çã¿ëÇÑ´Ù.
- ÁýÁß±¸³»Åë½Å½ÇÀ̶ó ÇÔÀº ±¸³» »óÈ£°£ ¹× ±¸³» ¡¤ ¿Ü°£ÀÇ Åë½ÅÀ» À§ÇÑ ÄÉÀ̺í, ±³È¯¼³ºñ,
Àü¼Û¼³ºñ, Àü¿ø¼³ºñ, ¹è¼±¹Ý µî°ú ±× ºÎ´ë¼³ºñ¸¦ ¼³Ä¡ÇÒ ¼ö ÀÖ´Â Àå¼Ò¸¦ ¸»ÇÑ´Ù.
ÁýÁß±¸³»Åë½Å½Ç¿¡´Â Åë½Å¿ëµµ ÀÌ¿ÜÀÇ Àåºñ¸¦ ¼³Ä¡ÇÏÁö ¸»¾Æ¾ß ÇÑ´Ù.
- µ¿º° Åë½Å½ÇÀ̶ó ÇÔÀº µ¿³» »óÈ£°£ ¹× µ¿³» ¡¤ ¿Ü°£ÀÇ Åë½ÅÀ» À§ÇÑ ÄÉÀ̺í, ±³È¯¼³ºñ,
Àü¼Û¼³ºñ, Àü¿ø¼³ºñ, ¹è¼±¹Ý µî°ú ±× ºÎ´ë¼³ºñ¸¦ ¼³Ä¡ÇÒ ¼ö ÀÖ´Â Àå¼Ò¸¦ ¸»ÇÑ´Ù.
µ¿º° Åë½Å½Ç¿¡´Â Åë½Å¿ëµµ ÀÌ¿ÜÀÇ Àåºñ¸¦ ¼³Ä¡ÇÏÁö ¸»¾Æ¾ß ÇÑ´Ù.
- »ó¿Â ¡¤ »ó½ÀÀåÄ¡¶ó ÇÔÀº ±¸³»Åë½Å½Ç¿¡ ¼³Ä¡µÈ Åë½Å¼³ºñ°¡ ¿øÈ°È÷ µ¿ÀÛÇϱâ À§ÇØ
ÀûÁ¤ ¼öÁØÀÇ ¿Âµµ ¹× ½Àµµ À¯Áö¸¦ À§ÇØ ÇÊ¿äÇÑ ¿¡¾îÄÁ, ȯdz±â, Á¦½À±â µîÀ» ¸»ÇÑ´Ù.
- ±¸³»¹è¼± ¼º´ÉÀ̶ó ÇÔÀº ±¸³»¿¡ µ¿ÀÏÇÑ ¹è¼±¸Åü°¡ ¼³Ä¡µÈ ¹è¼±±¸°£ÀÇ ¼º´ÉÀ¸·Î¼
EIA/TIA 568B¿¡ ±ÔÁ¤µÈ ä³Î¼º´ÉÀ» ¸¸Á·Çϸç Ä«Å×°í¸®(Category)·Î Ç¥½ÃÇÑ´Ù.
- Á¢ÁöÇü Àü¿ø½Ã¼³À̶ó ÇÔÀº Á¢ÁöÇü Äܼ¾Æ®(ACÀü¿ø) ¶Ç´Â Àü·Â·®À» °¡º¯ÇÒ ¼ö ÀÖ´Â
Äܼ¾Æ®(DCÀü¿ø)¸¦ ¸»ÇÑ´Ù.
- TPS¶ó ÇÔÀº Åë½Å¿ë ÆÄÀÌÇÁ »þÇÁÆ®¸¦ ¸»ÇÑ´Ù. TPS¿¡´Â Åë½Å¿ëµµ ÀÌ¿ÜÀÇ Àåºñ¸¦
¼³Ä¡ÇÏÁö ¸»¾Æ¾ß ÇÑ´Ù. ´Ù¸¸, Àü±âÅë½Å¼³ºñÀÇ ±â¼ú±âÁØ¿¡ °üÇÑ ±ÔÄ¢ ¹× °ü·Ã ±â¼ú±â
ÁØ¿¡¼ Á¤ÇÑ À̰ݰŸ® µîÀ» ÃæÁ· ÇÑ °æ¿ì¿¡´Â °Àü·ù Àü¼± µîÀ» ÇÔ²² ¼ö¿ëÇÒ ¼ö ÀÖ´Ù.
- SMF¶ó ÇÔÀº ´ÜÀϸðµå(Single Mode) ±¤¼¶À¯¸¦ ¸»ÇÏ¸ç ±¤½ÅÈ£°¡ ¿ÀÁ÷ ÇϳªÀÇ
°æ·Î·Î Àü´ÞµÇ´Â ±¤¼¶À¯ÀÌ´Ù.
- MMF¶ó ÇÔÀº ´ÙÁ߸ðµå(Multi Mode) ±¤¼¶À¯¸¦ ¸»ÇÏ¸ç ±¤½ÅÈ£°¡ ¿©·¯ °æ·Î·Î
Àü´ÞµÇ´Â ±¤¼¶À¯ÀÌ´Ù. MMFÀÇ Á¾·ù·Î´Â ÀçÁúÀÌ À¯¸®(Glass)·Î ¸¸µé¾îÁø
GOF(Glass Optical Fiber)¿Í ÀçÁúÀÌ ÇÃ¶ó½ºÆ½(Plastic)À¸·Î ¸¸µé¾îÁø
POF(Plastic Optical Fiber)°¡ ÀÖ´Ù.
±¸³»¹è¼±½Ã½ºÅÛ ±¸ºÐ¹æ¹ý
1. ±¸³»°£¼±°è, °Ç¹°°£¼±°è, ¼öÆò¹è¼±°èÀÇ ±¸ºÐ ¿øÄ¢
- ÇϳªÀÇ ±¸³»¿¡´Â 1°³ÀÇ Áֹ輱¹ÝµîÀ» ¼³Ä¡Çϸç, °Ç¹°ÀÇ ¹è¼±°ü¸® ¹× Á¢¼ÓÀ» À§ÇØ °¢ °Ç¹°(µ¿) º°·Î 1°³ÀÇ °Ç¹°¹è¼±¹ÝµîÀ» ¼³Ä¡Ç쵂 ÇÊ¿ä½Ã ÇϳªÀÇ °Ç¹°¿¡ ¶óÀκ° ¶Ç´Â ±âŸ ¹æ¹ýÀ¸·Î ¿©·¯ °³ÀÇ °Ç¹°¹è¼±¹Ý µîÀ» ¼³Ä¡ÇÒ ¼ö ÀÖ´Ù.
- °¢ ¹è¼±¹ÝÀº ÇÊ¿ä½Ã ÅëÇÕ ¼³Ä¡µÉ ¼ö ÀÖ´Ù. Áï Áֹ輱¹ÝµîÀ̳ª °Ç¹°¹è¼±¹Ýµî ¶Ç´Â Áß°£¹è¼±¹ÝµîÀÌ °Ç¹°ÀÇ ¹è¼±È¯°æÀ̳ª ¿©°Ç¿¡ µû¶ó ÅëÇÕ ¼³Ä¡µÉ ¼ö ÀÖ´Ù.
- ±¸³»¹è¼±ÀÇ ¼ö¿ë/Á¾´Ü ¿©ºÎ ¹× °¢ ¹è¼±¹Ý(´ÜÀÚ)ÀÇ »óÈ£ Á¾¼Ó°ü°è¸¦ ±âÁØÀ¸·Î ±¸³»°£¼±°è, °Ç¹°°£¼±°è, ¼öÆò¹è¼±°è¸¦ ±¸ºÐÇÑ´Ù.
2. °øµ¿ÁÖÅÃ(1µî±Þ)ÀÇ ¹è¼±½Ã½ºÅÛ ¿¹½Ãµµ
°¡. µ¿º°Åë½Å½Ç(ÁýÁßÇü ¹è¼±±¸Á¶) Àû¿ë»ç·Ê
(ÁÖ1) »ó±â ¿¹½Ãµµ´Â ÀÎÁõ½É»ç±âÁØÀÌ ¾Æ´Ï¸ç, ¹Î¿øÀÎÀÇ ÀÌÇØ¸¦ µ½±â À§ÇÏ¿© ÀÛ¼ºµÈ °ÍÀÓ
(ÁÖ2) ¼¼´ë´ÜÀÚÇÔÀº 300mm(°¡·Î) x 300mm(¼¼·Î) x 80mm(±íÀÌ) ÀÌ»óÀÇ Å©±â·Î ¼³Ä¡ÇÒ °ÍÀ» ±ÇÀåÇÑ´Ù.
(¹è¼±½Ã½ºÅÛ ±¸ºÐ ¿¹½Ã)
±¸³»°£¼±°è : Áֹ輱¹Ý µî¿¡¼ °Ç¹°¹è¼±¹Ý µî±îÁö
°Ç¹°°£¼±°è : °Ç¹°¹è¼±¹Ý µî¿¡¼ Áß°£¹è¼±¹Ý µî±îÁö
¼öÆò¹è¼±°è : Áß°£¹è¼±¹Ý µî¿¡¼ ´ì³» ÀÎÃⱸ±îÁö
³ª. µ¿º°Åë½Å½Ç(ºÐ»êÇü ¹è¼±±¸Á¶) Àû¿ë»ç·Ê
(ÁÖ1) »ó±â ¿¹½Ãµµ´Â ÀÎÁõ½É»ç±âÁØÀÌ ¾Æ´Ï¸ç, ¹Î¿øÀÎÀÇ ÀÌÇØ¸¦ µ½±â À§ÇÏ¿© ÀÛ¼ºµÈ °ÍÀÓ
(ÁÖ2) ¼¼´ë´ÜÀÚÇÔÀº 300mm(°¡·Î) x 300mm(¼¼·Î) x 80mm(±íÀÌ) ÀÌ»óÀÇ Å©±â·Î ¼³Ä¡ÇÒ °ÍÀ» ±ÇÀåÇÑ´Ù.
(¹è¼±½Ã½ºÅÛ ±¸ºÐ ¿¹½Ã)
- ±¸³»°£¼±°è : Áֹ輱¹Ý µî¿¡¼ Áß°£¹è¼±¹Ý µî±îÁö(±¤ÄÉÀÌºí±¸°£) Áֹ輱¹Ý¿¡¼ °Ç¹°¹è¼±¹Ý µî±îÁö(UTP ±¸°£)
- °Ç¹°°£¼±°è : °Ç¹°¹è¼±¹Ý µî¿¡¼ Áß°£¹è¼±¹Ý µî±îÁö(UTP ±¸°£)
- ¼öÆò¹è¼±°è : Áß°£¹è¼±¹Ý µî¿¡¼ ¼¼´ë´ÜÀÚÇÔÀ» °æÀ¯ÇÏ¿© ½Ç³»ÀÎÃⱸ±îÁö
´Ù. TPS(ºÐ»êÇü ¹è¼±±¸Á¶) Àû¿ë»ç·Ê
(ÁÖ1) »ó±â ¿¹½Ãµµ´Â ÀÎÁõ½É»ç±âÁØÀÌ ¾Æ´Ï¸ç, ¹Î¿øÀÎÀÇ ÀÌÇØ¸¦ µ½±â À§ÇÏ¿© ÀÛ¼ºµÈ °ÍÀÓ
(ÁÖ2) ¼¼´ë´ÜÀÚÇÔÀº 300mm(°¡·Î) x 300mm(¼¼·Î) x 80mm(±íÀÌ) ÀÌ»óÀÇ Å©±â·Î ¼³Ä¡ÇÒ °ÍÀ» ±ÇÀåÇÑ´Ù.
(¹è¼±½Ã½ºÅÛ ±¸ºÐ ¿¹½Ã)
±¸³»°£¼±°è : Áֹ輱¹Ý µî¿¡¼ Áß°£¹è¼±¹Ý µî±îÁö
°Ç¹°°£¼±°è : ¾øÀ½
¼öÆò¹è¼±°è : Áß°£¹è¼±¹Ý µî¿¡¼ ¼¼´ë´ÜÀÚÇÔÀ» °æÀ¯ÇÏ¿© ½Ç³»ÀÎÃⱸ±îÁö
3. °øµ¿ÁÖÅÃ(Ưµî±Þ)ÀÇ ¹è¼±½Ã½ºÅÛ ¿¹½Ãµµ
°¡. µ¿º°Åë½Å½Ç(ÁýÁßÇü ¹è¼±±¸Á¶) Àû¿ë»ç·Ê
(ÁÖ1) »ó±â ¿¹½Ãµµ´Â ÀÎÁõ½É»ç±âÁØÀÌ ¾Æ´Ï¸ç, ¹Î¿øÀÎÀÇ ÀÌÇØ¸¦ µ½±â À§ÇÏ¿© ÀÛ¼ºµÈ °ÍÀÓ
(ÁÖ2) ¼¼´ë´ÜÀÚÇÔÀº 400mm(°¡·Î) x 300mm(¼¼·Î) x 80mm(±íÀÌ) ÀÌ»óÀÇ Å©±â·Î ¼³Ä¡ÇÒ °ÍÀ» ±ÇÀåÇÑ´Ù.
(¹è¼±½Ã½ºÅÛ ±¸ºÐ ¿¹½Ã)
- ±¸³»°£¼±°è : Áֹ輱¹Ý µî¿¡¼ °Ç¹°¹è¼±¹Ý µî±îÁö
- °Ç¹°°£¼±°è : °Ç¹°¹è¼±¹Ý µî¿¡¼ Áß°£¹è¼±¹Ý µî±îÁö
- ¼öÆò¹è¼±°è : Áß°£¹è¼±¹Ý µî¿¡¼ ¼¼´ë´ÜÀÚÇÔÀ» °æÀ¯ÇÏ¿© ½Ç³» ÀÎÃⱸ±îÁö
³ª. µ¿º°Åë½Å½Ç(ºÐ»êÇü ¹è¼±±¸Á¶) Àû¿ë»ç·Ê
(ÁÖ1) »ó±â ¿¹½Ãµµ´Â ÀÎÁõ½É»ç±âÁØÀÌ ¾Æ´Ï¸ç, ¹Î¿øÀÎÀÇ ÀÌÇØ¸¦ µ½±â À§ÇÏ¿© ÀÛ¼ºµÈ °ÍÀÓ
(ÁÖ2) ¼¼´ë´ÜÀÚÇÔÀº 400mm(°¡·Î) x 300mm(¼¼·Î) x 80mm(±íÀÌ) ÀÌ»óÀÇ Å©±â·Î ¼³Ä¡ÇÒ °ÍÀ» ±ÇÀåÇÑ´Ù.
(¹è¼±½Ã½ºÅÛ ±¸ºÐ ¿¹½Ã)
±¸³»°£¼±°è : Áֹ輱¹Ý µî¿¡¼ Áß°£¹è¼±¹Ý µî±îÁö(±¤ÄÉÀÌºí ±¸°£) Áֹ輱¹Ý¿¡¼ °Ç¹°¹è¼±¹Ý µî±îÁö(UTP ±¸°£)
°Ç¹°°£¼±°è : °Ç¹°¹è¼±¹Ý µî¿¡¼ Áß°£¹è¼±¹Ý µî±îÁö(UTP ±¸°£)
¼öÆò¹è¼±°è : Áß°£¹è¼±¹Ý µî¿¡¼ ¼¼´ë´ÜÀÚÇÔÀ» °æÀ¯ÇÏ¿© ½Ç³» ÀÎÃⱸ±îÁö
´Ù. TPS(ºÐ»êÇü ¹è¼±±¸Á¶) Àû¿ë»ç·Ê
(ÁÖ1) »ó±â ¿¹½Ãµµ´Â ÀÎÁõ½É»ç±âÁØÀÌ ¾Æ´Ï¸ç, ¹Î¿øÀÎÀÇ ÀÌÇØ¸¦ µ½±â À§ÇÏ¿© ÀÛ¼ºµÈ °ÍÀÓ
(ÁÖ2) ¼¼´ë´ÜÀÚÇÔÀº 300mm(°¡·Î) x 300mm(¼¼·Î) x 80mm(±íÀÌ) ÀÌ»óÀÇ Å©±â·Î ¼³Ä¡ÇÒ °ÍÀ» ±ÇÀåÇÑ´Ù.
(¹è¼±½Ã½ºÅÛ ±¸ºÐ ¿¹½Ã)
±¸³»°£¼±°è : Áֹ輱¹Ý µî¿¡¼ Áß°£¹è¼±¹Ý µî±îÁö
°Ç¹°°£¼±°è : ¾øÀ½
¼öÆò¹è¼±°è : Áß°£¹è¼±¹Ý µî¿¡¼ ¼¼´ë´ÜÀÚÇÔÀ» °æÀ¯ÇÏ¿© ½Ç³»ÀÎÃⱸ±îÁö
4. ÇϳªÀÇ °Ç¹°(µ¿)À¸·Î ±¸¼ºµÈ ¹è¼±½Ã½ºÅÛ ¿¹½Ãµµ
 |
±¸³»°£¼±°è : ¾øÀ½
°Ç¹°°£¼±°è : Áֹ輱¹Ý µî¿¡¼ Áß°£¹è¼±¹Ý µî±îÁö
¼öÆò¹è¼±°è : 2°¡Áö ¹è¼±À¯Çü Á¸Àç
- Áß°£¹è¼±¹Ý µî¿¡¼ ¼¼´ë´ÜÀÚÇÔÀ» °ÅÃÄ ÀÎÃⱸ±îÁö
- Áֹ輱¹Ý µî¿¡¼ ¼¼´ë´ÜÀÚÇÔÀ» °ÅÃÄ ÀÎÃⱸ±îÁö
|
5. ÇÑ °Ç¹°¿¡ ¿©·¯ °³ÀÇ µ¿´ÜÀÚÇÔÀÌ ¼³Ä¡µÈ ¹è¼±½Ã½ºÅÛ ¿¹½Ãµµ
 |
±¸³»°£¼±°è : MDF ~ DATA¿ë µ¿´ÜÀÚÇÔ
°Ç¹°°£¼±°è : DATA¿ë µ¿´ÜÀÚÇÔ ~ Áß°£´ÜÀÚÇÔ
¼öÆò¹è¼±°è : Áß°£´ÜÀÚÇÔ ~ ¼¼´ë´ÜÀÚÇÔ ~ ÀÎÃⱸ
- Áß°£¹è¼±¹Ý µî¿¡¼ ¼¼´ë´ÜÀÚÇÔÀ» °ÅÃÄ ÀÎÃⱸ±îÁö
- Áֹ輱¹Ý µî¿¡¼ ¼¼´ë´ÜÀÚÇÔÀ» °ÅÃÄ ÀÎÃⱸ±îÁö
|
±¸³»¹è°ü¼³ºñ ¼³Ä¡¿ä°Ç
1. ±âº»¿øÄ¢
- ÁýÁß±¸³»Åë½Å½Ç, TPS ¶Ç´Â µ¿º°Åë½Å½Ç, µ¿´ÜÀÚÇÔ, Áß°£´ÜÀÚÇÔ µîÀº 2°³ ÀÌ»ó »ç¾÷ÀÚÀÇ Åë½ÅÀåºñ¸¦ ¼³Ä¡ÇÏ°í ±¸³»¹è¼±¼³ºñ¿Í Á¢¼Ó, ¿î¿ëÇϴµ¥ ÁöÀåÀ» ÁÖÁö ¾Ê´Â ±¸Á¶ ¹× ÇüÅ·Π¼³Ä¡µÇ¾î¾ß ÇÑ´Ù.
- ±¸³»°£¼±°è, °Ç¹°°£¼±°è, ¼öÆò¹è¼±°è(¼¼´ëÀÎÀÔ ¹× ´ì³»)ÀÇ ¹è°ü½Ã¼³Àº ½É»ç±âÁØÀ» Àû¿ëÇÏ¿© ¼ºÇü¹è¼±ÀÌ °¡´ÉÇϵµ·Ï ¼³Ä¡ÇÑ´Ù.
- ½É»ç±âÁØ¿¡ ±ÔÁ¤µÈ ¹è¼±ÀÚÀ縦 ¼ö¿ëÇÏ°í ¼±Çü¹è¼±ÀÌ °¡´ÉÇÏ¸ç ¿ÜºÎÀÇ ¾Ð·Â ¶Ç´Â Ãæ°Ý µîÀ¸·ÎºÎÅÍ ¼±·Î¸¦ º¸È£ÇÒ ¼ö ÀÖ´Â ±â°èÀû °µµ¸¦ °¡Á®¾ß ÇÑ´Ù.
- ÇâÈÄ ¹è¼±¿ë·® Áõ¼³, ½Å±Ô ¹è¼±¼³ºñ ÀÎÀÔ, À¯Áöº¸¼öÀÇ Çʿ伺¿¡ ´ëºñÇÏ¿© ±ÔÁ¤µÈ ¿¹ºñ¹è°ü¼³ºñ¸¦ ¼³Ä¡ ÇÏ¿©¾ß ÇÑ´Ù. ´Ù¸¸, Åë½Å±¸, ´öÆ® ¶Ç´Â Æ®·¹À̸¦ ¼³Ä¡ÇÑ ±¸°£¿¡´Â ±×·¯ÇÏÁö ¾Æ´ÏÇÏ´Ù.
2. ÁýÁß±¸³»Åë½Å½ÇÀÇ ¼³Ä¡È¯°æ ¿ä°Ç
- ÁýÁß±¸³»Åë½Å½ÇÀº ±¸³»Á¤º¸Åë½Å ÀÎÇÁ¶ó ½Ã¼³ ¹× ±¸³»Åë½Å¿ë Àåºñ¸¦ ¼³Ä¡, ¿î¿ëÇϴµ¥ ÇÊ¿äÇÑ ´ÙÀ½ÀÇ ¿ä°ÇÀ» °®Ãß¾î¾ß ÇÑ´Ù.
- ¹Ù´Ú¼³ºñ´Â ¾×¼¼½º ÇÃ·Î¾î ¶Ç´Â ÁýÁß±¸³»Åë½Å½ÇÀÇ ¹Ù´ÚÀ¸·Î ¹è¼±ÀÇ ¼³Ä¡, Áõ¼³ ¹× ö°Å µîÀÌ ¿ëÀÌÇÑ ¹è°ü½Ã¼³ ¼³Ä¡
- ÁýÁß±¸³»Åë½Å½ÇÀÇ Áֹ輱¹Ý µî(IN/OUT ¹è¼± ¿¬°á)Àº 2°³ »ç¾÷ÀÚ ÀÌ»óÀÌ ¼ºñ½º¸¦ Á¦°øÇϴµ¥ ÁöÀåÀÌ ¾ø´Â ±¸Á¶ ¹× ÇüÅ·Π¼³Ä¡
- ÁýÁß±¸³»Åë½Å½ÇÀÇ Áֹ輱¹Ý µî(IN/OUT ¹è¼±)À» ¿¬°áÇϴµ¥ ÇÊ¿äÇÑ ±¸³»¿ë ¹è¼±¼³ºñ(¹è¼±¹Ý, ¹è¼±´ÜÀÚ, ÆÐÄ¡ÆÐ³Î µî) ¼³Ä¡
- »ó¿Â »ó½ÀÀ» À¯ÁöÇÒ ¼ö ÀÖµµ·Ï ³Ã³¹æ±â ¶Ç´Â ȯdz±â ¼³Ä¡
- ÁýÁß±¸³»Åë½Å½ÇÀÌ ÁöÇϼöÀ§º¸´Ù ¾Æ·¡¿¡ À§Ä¡Çϰí Àְųª ¹°ÀÇ Ä§ÅõÀ§ÇèÀÌ Á¸ÀçÇÏ´Â °æ¿ì¿¡´Â ÇÊ¿äÇÑ ¹æ¼ö ¹× ¹è¼ö½Ã¼³ ¼³Ä¡
- Á¶¸í½ºÀ§Ä¡´Â ÃâÀÔ¹® ±Ùó¿¡ ¼³Ä¡
- ÁýÁß±¸³»Åë½Å½Ç Àü¿ëÀÇ Àü¿ø½Ã¼³(ºÐÀü¹Ý) ¼³Ä¡
- Àá±ÝÀåÄ¡´Â µå¶óÀ̹ö ¶Ç´Â Ä® µîÀ» »ç¿ëÇÏ¿© ½±°Ô ¿¸®Áö ¾Ê´Â ưưÇÑ ±¸Á¶·Î ¼³Ä¡
3. TPS ¶Ç´Â µ¿º°Åë½Å½Ç ¼³Ä¡È¯°æ ¿ä°Ç
- TPS ¶Ç´Â µ¿º°Åë½Å½Ç(µ¿º°Åë½ÅÀåºñ ¼³Ä¡°ø°£È®º¸ Æ÷ÇÔ)Àº ´ÙÀ½¿ä°ÇÀ» °®Ãß¾î¾ß ÇÑ´Ù.
- ±¸³»°£¼±°è¿¡ ¼³Ä¡µÇ´Â ±¤ÄÉÀ̺í(±¸³»°£¼±°è¸¦ È®ÀåÇÏ¿© ÁýÁß ±¸³»Åë½Å½Ç·ÎºÎÅÍ °Ç¹° ³»ÀÇ Áß°£¹è¼±¹Ýµî±îÁö ±¤ÄÉÀ̺íÀ» ¼³Ä¡ÇÏ´Â °æ¿ì¸¦ Æ÷ÇÔÇÑ´Ù)ÀÇ Á¾´Ü ¹× ±¤¹è¼±¹Ý(FDF) ¼³Ä¡
- TPS ¶Ç´Â µ¿º°Åë½Å½ÇÀÇ Áß°£¹è¼±¹Ý µî(IN/OUT ¹è¼± ¿¬°á)Àº 2°³ »ç¾÷ÀÚ ÀÌ»óÀÌ ¼ºñ½º¸¦ Á¦°øÇϴµ¥ ÁöÀåÀÌ ¾ø´Â ±¸Á¶ ¹× ÇüÅ·Π¼³Ä¡
- TPS ¶Ç´Â µ¿º°Åë½Å½ÇÀÇ Áß°£¹è¼±¹Ý µî(IN/OUT ¹è¼± ¿¬°á)À» ¿¬°á Çϴµ¥ ÇÊ¿äÇÑ ±¸³»¿ë ¹è¼± ¼³ºñ(¹è¼±¹Ý, ¹è¼±´ÜÀÚ, ÆÐÄ¡ÆÐ³Î µî) ¼³Ä¡
- ÁöÇϼöÀ§º¸´Ù ¾Æ·¡¿¡ À§Ä¡Çϰí Àְųª ¹°ÀÇ Ä§ÅõÀ§ÇèÀÌ Á¸ÀçÇÏ´Â °æ¿ì¿¡´Â ÇÊ¿äÇÑ ¹æ¼ö ¹× ¹è¼ö½Ã¼³ ¼³Ä¡
- Á¶¸í½ºÀ§Ä¡´Â ÃâÀÔ¹® ±Ùó¿¡ ¼³Ä¡(TPS´Â Á¦¿Ü)
- Åë½Å¿ë Àü¿ø½Ã¼³Àº Àü¿ëȸ·Î·Î ¼³Ä¡
4. ¿Á³»¹è°ü¼³ºñ ¿ä°Ç
- °ÇÃ๰ÀÇ ¿Á³»¿¡´Â ¼±·Î¸¦ ¿ëÀÌÇÏ°Ô ¼³Ä¡Çϰųª ö°ÅÇÒ¼ö ÀÖµµ·Ï ¹è°ü ¶Ç´Â ´ÚÆ® µîÀÇ ¹è°ü½Ã¼³À» ¼³Ä¡ÇÏ¿©¾ß ÇÑ´Ù.
- ¹è°üÀÇ ³»°æÀº ¼ö¿ëµÇ´Â ¼±·Î(´ÙÁ¶ÀÎ °æ¿ì¿¡´Â ±× Àüü)´Ü¸éÀûÀÇ ÃÑÇÕ°è°¡ ¹è°ü ´Ü¸éÀûÀÇ 32% ÀÌÇϰ¡ µÇµµ·Ï ¼³Ä¡ÇÏ¿©¾ß ÇÑ´Ù.
- ¹è°üÀÇ ±¼°îÀº ¿Ï¸¸ÇÏ°Ô Ã³¸®ÇÏ¿©¾ß Çϸç, °î·ü¹Ý°æÀº ¹è°ü³»°æÀÇ 6¹è ÀÌ»óÀ» À¯ÁöÅä·Ï ÇÑ´Ù.
- ÇϳªÀÇ ¹è°ü ±¸°£¿¡ ÀÖ¾î¼ ±¼°î°³¼Ò´Â 3°³¼Ò À̳»À̾î¾ß Çϸç, 1°³¼ÒÀÇ ±¼°î°¢µµ´Â 90¢ª À̳»À̰í 3°³¼ÒÀÇ ±¼°î°¢µµÀÇ ÇÕ°è´Â 180¢ª À̳»À̾î¾ß ÇÑ´Ù.
5. Àü¼±°ü ¹æ½Ä¿¡ ÀÇÇÑ ¹è°ü¿¡ ÀÖ¾î¼ ÁÖÀÇ»çÇ×
- ¼¼´ë´ÜÀÚÇÔÀ¸·ÎºÎÅÍ ½Ç³» ÀÎÃⱸ±îÁö Àü¼±°ü ¹æ½ÄÀ¸·Î ¼³Ä¡ÇÒ °æ¿ì¿¡´Â Àü¼±°üÀ» ÅëÇØ ±Ù¹æÀÇ ´Ù¸¥ ÀÎÃⱸ·Î °æÀ¯ÇÒ ¼ö ÀÖ´Â ÀÎÃⱸ´Â 1°³¼Ò¸¦ ÃʰúÇÏÁö ¸»¾Æ¾ß ÇÑ´Ù.(¿¹½Ãµµ ÂüÁ¶)
|
|
|
|
 |
|
|